Đồng hồ nhiệt độ WISE T290
1. Giới thiệu về đồng hồ nhiệt độ WISE T290
Đồng hồ nhiệt độ Wise T290 là đồng hồ nhiệt độ dạng lưỡng kim với thân điều chỉnh, được sử dụng để đo nhiệt độ của chất lỏng ăn mòn và không ăn mòn trong tất cả các ngành công nghiệp.
Về nguyên lý hoạt động, Đồng hồ nhiệt độ Wise T290 cũng giống như đồng hồ nhiệt độ dạng cơ khác với phần que đo bên trong có miếng lưỡng kim để cảm biến nhiệt độ.
Về cấu tạo, đồng hồ nhiệt độ Wise T290 khác các dòng đồng hồ nhiệt độ dạng cơ thông thường khác ở điểm phần thân có thể điều chỉnh, tùy vào vị trí lắp đặt mà có thể điều chỉnh mặt đồng hồ song song hoặc vuông góc với đường ống để dễ quan sát.
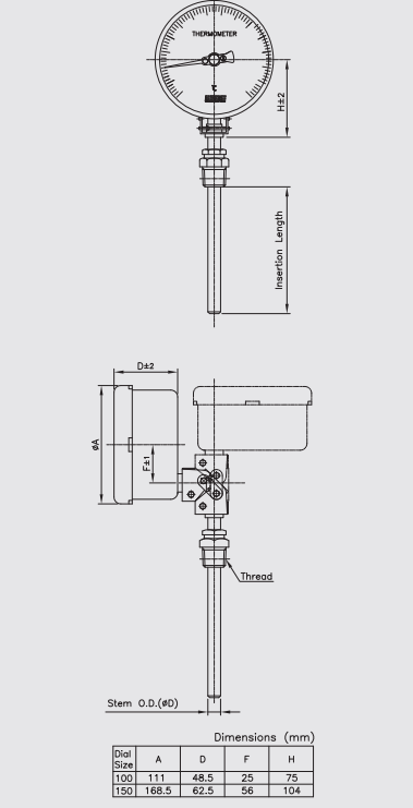
2. Thông số kĩ thuật của Đồng hồ đo nhiệt độ hãng Wise T290
Đường kính mặt đồng hồ: 100 và 150 mm
Cấp chính xác của đồng hồ nhiệt độ wise T290: ±2.0 % hoặc ±1.0 % toàn dải đo
Dải đo của đồng hồ nhiệt độ wise T290: -200 ~ 700℃
Hệ thống đo lường (SAMA class ⅢB):
Khí hữu cơ: 0 ~ 200 ° C
Khí trơ: -200 ~ 700 ° C
Vật liệu của đồng hồ nhiệt độ wise T290: vỏ 304SS, que đo 316SS/ 316L SS
Đường kính que đo: 8.0, 10.0 và 12.0 mm
Chiều dài que đo (tùy chọn): 50 ~ 2000mm
Loại kết nối: chân ren ⅜", ½", ¾" PT, NPT and PF (thân đồng hồ có thể điều chỉnh)
Tham khảo thêm các dòng sản phẩm khác tại: Đồng hồ nhiệt độ Wise Korea

Quý khách hàng có nhu cầu sản phẩm vui lòng liên hệ hotline:
Mr Cảnh - 0918 760 138( SĐT/Zalo) hoặc mail kd6@thietbiht.com để được tư vấn 24/7 và nhận báo giá tốt nhất.
#Tag:donghoapsuat, donghoapsuatwise, đồng hồ áp suất wise, đồng hồ áp suất wise p110, đồng hồ áp suất wise P252, đồng hồ áp suất màng, đồng hồ áp suất tiếp điểm điện, đồng hồ áp suất thấp, đồng hồ nhiệt độ wise, donhietdo, donhietdowise, đồng hồ nhiệt độ tiếp điểm điện, đồng hồ nhiệt độ dạng cơ, cảm biến áp suất, cảm biến áp suất wise, cảm biến áp suất sensys, cảm biến áp suất hàn quốc, đồng hồ áp suất hàn quốc, nhiệt kế wise, nhiệt kế thủy ngân, nhiệt kế wise chữ T, nhiệt kế wise chữ I, đo áp suất, đo áp suất wise, doapsuat, doapsuatwise,…